首页 / 家庭维修 / 正文
空调维修费:剖析现代家庭经济的新挑战

Time:2025年01月12日 Read: 评论:0 作者:duote123

随着科技的进步,空调已成为现代家庭中不可或缺的电器之一。随之而来的空调维修费用也成为家庭经济中的一大负担。本文将深入剖析空调维修费用的成因、现状及其对家庭经济的影响,并提出相应的应对策略。

一、空调维修费用的成因

1. 空调使用年限:随着使用年限的增长,空调内部的磨损和故障几率也随之增加,维修费用自然水涨船高。

空调维修费:剖析现代家庭经济的新挑战 家庭维修
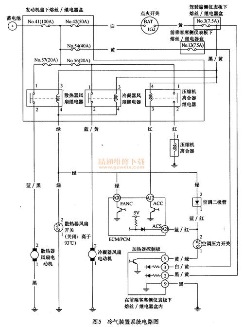
(图片来自网络侵删)

2. 技术更新换代:空调技术不断更新,新型空调功能丰富,但同时也带来了更高的维修成本。

3. 维修市场不规范:部分维修人员技术水平参差不齐,导致维修费用过高。

4. 用户使用不当:部分用户因操作不当导致空调故障,增加了维修成本。

二、空调维修费用的现状

1. 维修费用逐年上涨:据统计,近年来空调维修费用逐年上涨,尤其在空调高峰期,维修费用更是居高不下。

2. 维修市场乱象:由于维修市场不规范,部分维修人员利用用户不了解专业知识的机会,提高维修费用。

3. 用户维权困难:在维修过程中,部分用户因缺乏专业知识,难以辨别维修费用是否合理,维权困难。

三、空调维修费用对家庭经济的影响

1. 增加家庭支出:空调维修费用成为家庭经济中的一大负担,尤其是对于经济条件较差的家庭,更是雪上加霜。

2. 影响生活质量:空调故障导致家庭生活质量下降,甚至可能影响家庭成员的健康。

3. 增加家庭矛盾:维修费用过高可能导致家庭成员产生矛盾,影响家庭和谐。

四、应对空调维修费用的策略

1. 定期保养:用户应定期对空调进行保养,减少故障发生,降低维修费用。

2. 选择正规维修渠道:用户在选择维修渠道时,要选择具有良好口碑、技术精湛的维修人员,避免高昂的维修费用。

3. 提高自身维修技能:用户可以学习一些基本的空调维修知识,以便在故障发生时自行处理。

4. 政策支持:政府可以加大对空调维修市场的监管力度,规范维修市场秩序,降低维修费用。

空调维修费用已成为现代家庭经济的一大挑战。面对这一现象,我们需要从多方面入手,提高自身维修技能,选择正规维修渠道,共同维护家庭经济稳定。政府也应加大对维修市场的监管力度,规范市场秩序,减轻家庭经济负担。

引用权威资料:

《中国家用电器维修行业发展报告》显示,近年来空调维修费用逐年上涨,维修市场乱象严重,用户维权困难。

标签: 维修  空调 
排行榜
关于我们
我们与你分享最新的电脑维修技术,让你成为电脑维修专家!
关于我们
主体介绍
扫码关注
沪ICP备2024090626号-18 技术支持:元老 QQ:97093008